欢迎访问广州歌德电气有限公司
在线咨询
服务热线
18826499899
首页
公司介绍
在线商城
公司新闻
荣誉资质
联系方式
联系方式
友情链接
HOT
热门搜索:
在线商城
公司新闻
荣誉资质
友情链接
在线商城
CATEGORY
公司简介
荣誉资质
服务热线
18826499899
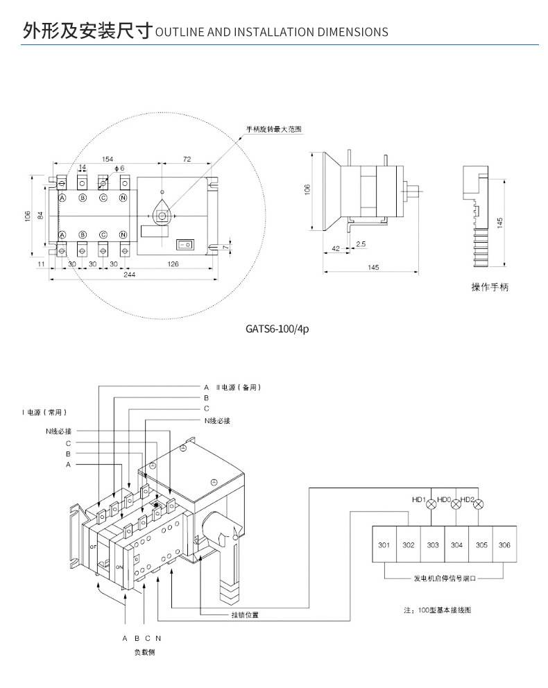
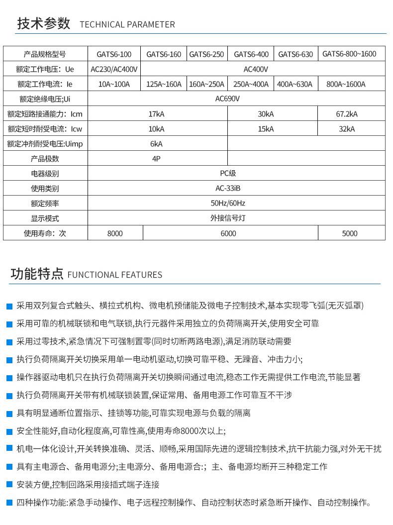
【双电源自动转换开关】PC级ATS双电源开关 智能切换开关
所在地区
广东 广州市
最后更新
2026-02-04
详细信息
相关推荐
【双电源自动转换开关】PC级ATS双电源开关 智能切换开关
18826499899